(2) 一级中压方案
本方案主变电站除省去2 台33kV(35kV)/10.5kV 动力变压器及10kV 配电装置外,其余部分主接成与二级中压方案基本相同。
主变电站中35kV馈线采用分区双干线向混合变电站、降压变电站配电。一个分区中一般有3 个左右系统变电站。
混合变电站和降压变电站主接线都是由单母成分段加母联自投。混合变电站中两套整流机组,为了构成等效24 脉整流机组以减少注入电网的谐波,都连接在同一段母线上。跟随变电站的两路电源引自上述混合变电站或降压所的不同母线。
3 城市轨道交通地铁变电站综合实训系统设计
本设计中城市轨道交通变电站综合实训系统,是按照一线路35kv进线、两线路35kv出线、一线路35kv母联、一台整流变压器、一台配电变压器、直流进线装置、直流馈线配置设计的。
城市轨道交通变电站综合实训系统系统设计方案包括35KV中压供电系统保护测控盘、牵引降压混合变电站实验模拟盘、直流1500V保护测控盘及故障模拟系统。
3.1 牵引降压混合变电站实验模拟盘设计
地铁牵引降压混合变电站是将来自电网的10kV及35kV电力首先经过降压、然后对降压后的电力进行整流使之变成1500V 直流电力,再由站内直流配电设备将该变压转换好的直流电力输送到需要使用的区间接触电网,最后电力被区间运行的列车使用。
考虑到该变电站存在如辐射面不足及供电功率低等缺陷该电站处于安全因素都采用电压不高的直流供电模式。今年我国开工建设的地铁项目基本也都用采用了1500V或者750V的直流电压。
3.1.1 牵引降压混合变电站主接线设计
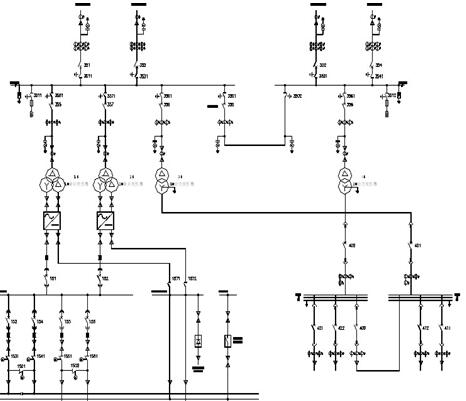
牵引降压混合变电站通过中压网络从主变电站接收到35KV电源,进过降压整流,输出直流1500V电力通过牵引网供列车使用。牵引降压混合变电站电气主接线图如图3.1所示。

图3.1 牵引降压混合变电站电气主接线图
本文采用的解决方案如图3.1,其设计说明如下:
(1)本设计35kV分区中压供电网使用的是双环网接线方式。其设计原理为系统以几个站场为一个单独供电的分区,在这些分区里,一个牵引减压站从主变电站的35kV两段母线引入两路互为备用的电源,其它牵引降压混合所或降压变电站采用环网方式接入电源。
(2)DC1500V主接线为单母线。两台牵引变压器接于同一段母线上,构成等效二十四脉波整流。牵引变电站变压器直流侧的额定电压是1500V,采用单母线接线,其中硅整流器的正极通过一个直流快速断路器连接直流正母线,正母线则通过四路馈出断路器分别给上行、下行牵引网供电。硅整流器的负极通过电动隔离开关与直流负母线连接,负母线的回流箱同走行轨连接。
3.1.2 中压供电网络设计
本系统设计使用的35 kV中压供电网络设计图见下图图3.2。
城市轨道牵引混合变电站或降压变电站供电采用的接线方式是短串环接的接线方式向。35 kV环网联络开关设置在两座主变电站之间,主要的作用是主变电站之间相互支援供电,正常运行时处于的状态为断开。单母线分段接线是车站变电站的常用的方式,正常运行时俩段35 kV母线分别从环网受电,并向环网中相邻的变电站供电,母联开关是断开的。
图3.2地铁35 kV供电网络结构示意图
本问系统使用的运行方式是环网电缆,其运行方式如图3.3所示。
在正常运行的情况下,是由两路电源同时供电给各供电分区的,各35 kV进出线开关处于闭合状态、而母联开关则处于断开的状态。假若分区中的有一路环网出现故障无法运行时,系统则会迅速的断开出现故障电缆两侧的开关,同时迅速闭合位于该故障电缆下一侧的变电所的母联开关,这时就由下一路环网电缆负担该供电分区内牵引负荷及其它负荷。 城市轨道交通变电站综合系统设计(3):http://www.chuibin.com/tongxin/lunwen_14295.html

